Корзина (0)
Ваша корзина пуста!

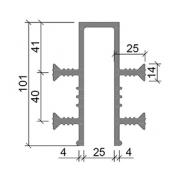
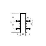
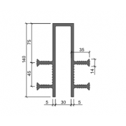
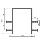
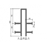
Гидрошпонки АКВАСТОП тип ДЗ