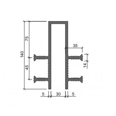
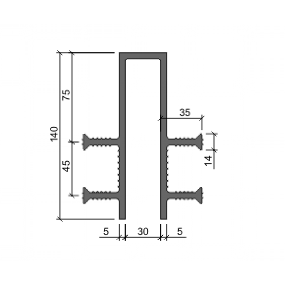
Гидрошпонка ДЗ-140/30-4/35
| ПОРЯДОК УСТАНОВКИ | Технологический регламент ТР 186-07 Технологическая карта РБ № ТТК-100299864.196-2014 | ||||||||||||||||||||||||||||||||||||||||||||||||||||||||||||||||||||||||||||||||||||||||||||||||||||||||||||||||||||||||||||||||||||||||||||||||||||||||||
| МОНТАЖНАЯ СХЕМА | ![]() | ||||||||||||||||||||||||||||||||||||||||||||||||||||||||||||||||||||||||||||||||||||||||||||||||||||||||||||||||||||||||||||||||||||||||||||||||||||||||||
| ТЕХНИЧЕСКИЕ ХАРАКТЕРИСТИКИ |
| ||||||||||||||||||||||||||||||||||||||||||||||||||||||||||||||||||||||||||||||||||||||||||||||||||||||||||||||||||||||||||||||||||||||||||||||||||||||||||
| ТЕХНИЧЕСКИЕ ДАННЫЕ МАТЕРИАЛА | Вы можете посмотреть здесь | ||||||||||||||||||||||||||||||||||||||||||||||||||||||||||||||||||||||||||||||||||||||||||||||||||||||||||||||||||||||||||||||||||||||||||||||||||||||||||
| СЕРТИФИКАТЫ | Техническое свидетельство РБ – ТС № 06.1375.20 от 01.04.2020г. Сертификат соответствия Госстроя России № POCC RU.АЯ46.Н00840 от 25.01.2019 г. Санитарно-эпидемиологическое заключение №77.01.09.П.009689.10.13 от 02.10.2013г. | ||||||||||||||||||||||||||||||||||||||||||||||||||||||||||||||||||||||||||||||||||||||||||||||||||||||||||||||||||||||||||||||||||||||||||||||||||||||||||
| ХРАНЕНИЕ | Изделия следует хранить в закрытых помещениях при температуре не выше 30 °С, без воздействия деформирующих нагрузок, прямых солнечных лучей, защищенными от попадания на них нефтепродуктов и органических растворителей. | ||||||||||||||||||||||||||||||||||||||||||||||||||||||||||||||||||||||||||||||||||||||||||||||||||||||||||||||||||||||||||||||||||||||||||||||||||||||||||
| УПАКОВКА | Резиновые шпонки - бухты по 30 пог.м. ПВХ-П шпонки - бухты по 20 пог.м. По согласованию возможна поставка бухт необходимой потребителю длины. | ||||||||||||||||||||||||||||||||||||||||||||||||||||||||||||||||||||||||||||||||||||||||||||||||||||||||||||||||||||||||||||||||||||||||||||||||||||||||||
| Давление воды, МПа | 0,38 |
| Материал | ПВХ-П |
| Растяжение | 135 |
| Сжатие | 20 |

