Корзина (0)
Ваша корзина пуста!

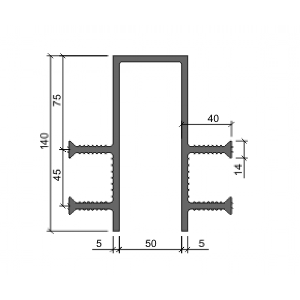
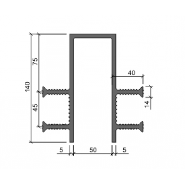
Гидрошпонка ДЗ-140/50-4/40

Гидрошпонка ДЗ-140/50-4/40
Гидрошпонка ДЗ-140/50-4/40
Аквастоп

Гидрошпонка ДЗ-140/50-4/40

Предлагаем весь ряд гидроизоляционных шпонок Аквастоп. Предназначены для устройства гидроизоляции железобетонных конструкций.

Подробное описание
Цена по запросу

Характеристики:

Давление воды, МПа0,43
МатериалПВХ-П
Растяжение135
Сжатие40
ПОРЯДОК УСТАНОВКИТехнологический регламент ТР 186-07
Технологическая карта РБ № ТТК-100299864.196-2014
МОНТАЖНАЯ СХЕМАМонтаж гидроизоляционных шпонок
ТЕХНИЧЕСКИЕ ДАННЫЕ МАТЕРИАЛАВы можете посмотреть здесь
СЕРТИФИКАТЫТехническое свидетельство РБ – ТС № 06.1375.20 от 01.04.2020г.
Сертификат соответствия Госстроя России № POCC RU.АЯ46.Н00840 от 25.01.2019 г.
Санитарно-эпидемиологическое заключение №77.01.09.П.009689.10.13 от 02.10.2013г.
ХРАНЕНИЕИзделия следует хранить в закрытых помещениях при температуре не выше 30 °С, без воздействия деформирующих нагрузок, прямых солнечных лучей, защищенными от попадания на них нефтепродуктов и органических растворителей.
УПАКОВКАРезиновые шпонки - бухты по 30 пог.м.
ПВХ-П шпонки - бухты по 20 пог.м.
По согласованию возможна поставка бухт необходимой потребителю длины.

Давление воды, МПа0,43
МатериалПВХ-П
Растяжение135
Сжатие40