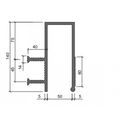
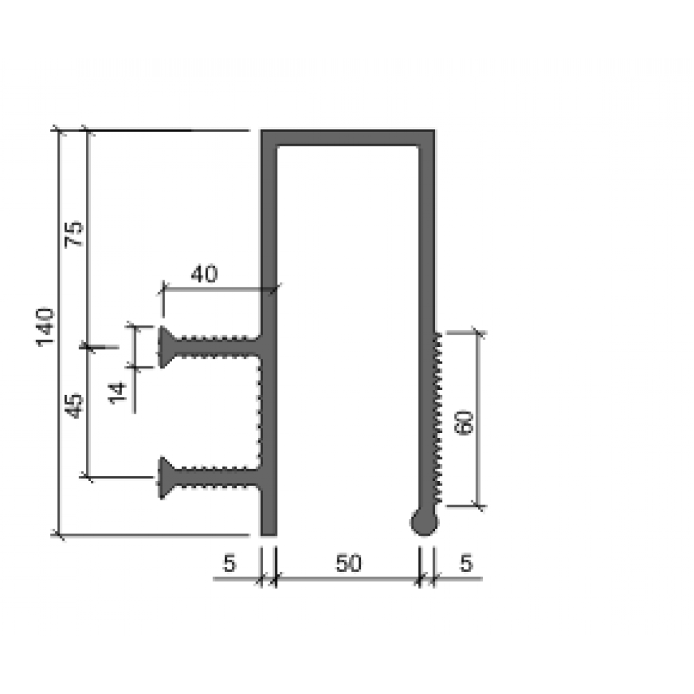
Гидрошпонка ДЗС-140/50-2/40
| ПОРЯДОК УСТАНОВКИ | Технологический регламент ТР 186-07 Технологическая карта РБ № ТТК-100299864.196-2014 |
| МОНТАЖНАЯ СХЕМА | ![]() |
| ТЕХНИЧЕСКИЕ ХАРАКТЕРИСТИКИ | |
| ТЕХНИЧЕСКИЕ ДАННЫЕ МАТЕРИАЛА | Вы можете посмотреть здесь |
| СЕРТИФИКАТЫ | Техническое свидетельство РБ – ТС № 06.1375.20 от 01.04.2020г. Сертификат соответствия Госстроя России № POCC RU.АЯ46.Н00840 от 25.01.2019 г. Санитарно-эпидемиологическое заключение №77.01.09.П.009689.10.13 от 02.10.2013г. |
| ХРАНЕНИЕ | Изделия следует хранить в закрытых помещениях при температуре не выше 30 °С, без воздействия деформирующих нагрузок, прямых солнечных лучей, защищенными от попадания на них нефтепродуктов и органических растворителей. |
| УПАКОВКА | ПВХ-П шпонки - бухты по 20 пог.м. По согласованию возможна поставка бухт необходимой потребителю длины. |
| Давление воды, МПа | 0,43 |
| Материал | ПВХ-П |
| Растяжение | 135 |
| Сжатие | 25 |

